PPG Deluxe Filter
PPG Deluxe filter is een glasvezel verstevigde filter en komt met een manuele 6-weg-kraan.
Wat doet de 6-weg-klep
De manuele 6-weg-klep is eenvoudig te hanteren. Gemaakt van extreem duurzame dichtingsmaterialen.
- Filteren: Filtert het zwembadwater door de filter
- Terugspoelen: Hierbij zal je het filtermedia (zand, glas of AFM) gaan reinigen in de filter
- Naspoelen: Ne het terugspoelen kan je resterende vuil ‘naspoelen’ die in de leidingen zit
- Afval: voert het zwembadwater rechtstreeks naar de afvoer
- Circulatie: Laat het zwembadwater door klep circuleren maar niet door de filter. Om bv. een chloorshock optimaal te vermengen.
- Gesloten: Geen circulatie! Hierbij mag de pomp niet gebruikt worden.
LEESTIP: Zwembadonderhoud
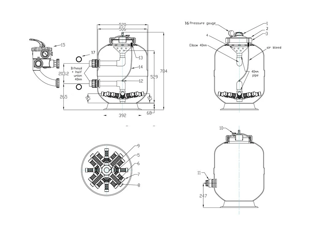
productsterktes PPG Deluxe Filter
- 8″ transparant deksel met ontluchtingsventiel en manometer
- Dubbele leegloopstop maakt het mogelijk enkel water af te laten of water & filtermedia
- Stevige basis van industriële kwaliteit voor een stabiele vloermontage
- Grote water diffuser en gemakkelijk te bereiken ontluchtingssysteem
verbeterde verdeelarm
Onderdaan de filter is de verdeel arm voorzien in een “visgraat” motief. Dit zorgt ervoor dat er geen dode plekken kunnen
ontstaan tussen de zijtakken van de verdeel arm. Dit komt zowel de filtratie als de terugspoelfunctie ten goede.























Beoordelingen
Er zijn nog geen beoordelingen.